135度Y型三通球閥產品概述
135度Y型三通球閥殼體具有一個入口和兩個出口,并采用三面閥座、四密封結構設計,其流道形式為Y型。該閥不但能實現對Y形管路介質流向的切換,也能使相互成135°角的兩個流體通道接通或切斷。本產品外型美觀,結構緊湊合理,密封性能好,特適用于PVC粉狀、片狀、顆粒狀物料流向切換,也適于密封要求較嚴格的工況場合。
135度Y型三通球閥的流道形式為135度切換,流道平坦,流體阻力小,流通能力強,不會使介質停留在流道內部,使各管道能夠得到很順暢的切換。該閥球體與閥座密封根據不同工況,可分別采用軟密封、噴焊鎳基合金、超音速涂鎢鈷合金及其他硬化材料等。本產品適用于各種苛刻工況,軟密封適用溫度280℃以下,硬密封600℃以上。
135度Y型三通球閥部件材料
| 序號 | 部件名稱 | 材料名稱 | ||||
| 1 | 閥 體 | A216 WCB | A351 CF8 | A351 CF3 | A351 CF8M | A351 CF3M |
| 2 | 閥 蓋 | A216 WCB | A351 CF8 | A351 CF3 | A351 CF8M | A351 CF3M |
| 3 | 閥 座 | R-PTFE、PTFE、TEFLON、NYLON、PPL、PEEK、DEVLON、SS+HF | ||||
| 4 | 帶柄球體 | A351 CF8 | A351 CF8 | A351 CF3 | A351 CF8M | A351 CF3M |
| 5 | 連 接 體 | A216 WCB | A351 CF8 | A351 CF3 | A351 CF8M | A351 CF3M |
| 6 | 填 料 | GRAPHITE、R-PTFE、PTFE、TEFLON、PCTFE | ||||
| 7 | 螺 柱 | A193 B7 | A193 B8 | A193 B8 | A193 B8M | A193 B8M |
| 8 | 螺 母 | A194 2H | A194 8 | A194 8 | A194 8M | A194 8M |
135度Y型三通球閥技術規范
| 公稱壓力PN(MPa) | 1.6 | 2.5 | 4.0 | 2.0 | 5.0 |
| 殼體強度試驗壓力(MPa) | 2.4 | 3.75 | 6.0 | 3.0 | 7.5 |
| 高壓液密封試驗壓力(MPa) | 1.76 | 2.75 | 4.4 | 2.2 | 5.5 |
| 低壓氣密封試驗壓力(MPa) | 0.6 | 0.6 | 0.6 | 0.6 | 0.6 |
| 設計制造 | GB/T 12237、GB/T 21385、API 608、ASME B16.34 | ||||
| 結構長度 | 按本廠標準Q/CB的規定或按訂貨合同要求 | ||||
| 連接法蘭 | JB/T 79、GB/T 9113、HG/T 20592、HG/T 20615、SH/T 3406、ASME B16.5 | ||||
| 檢驗試驗 | GB/T 26480、JB/T 9092、API 598 | ||||
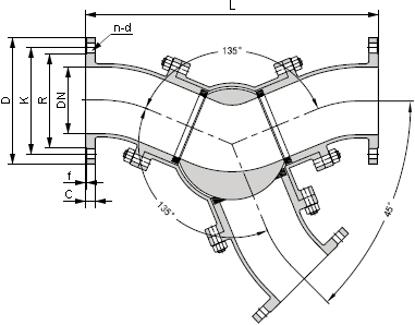
135度Y型三通球閥主要尺寸
| 公稱壓力 PN | 公稱尺寸 DN | 外形及連接尺寸/mm | |||||
| L | D | K | R | C-f | n-d | ||
| 16 ~ 25 20 (Class150) | 50 | 340 | 165 | 125 | 102 | 18-2 | 4-?18 |
| 65 | 400 | 185 | 145 | 122 | 18-2 | 8-?18 | |
| 80 | 410 | 200 | 160 | 138 | 20-2 | 8-?18 | |
| 100 | 460 | 220 | 180 | 158 | 20-2 | 8-?18 | |
| 125 | 560 | 250 | 210 | 188 | 22-2 | 8-?18 | |
| 150 | 660 | 285 | 240 | 212 | 22-2 | 8-?22 | |
| 200 | 800 | 340 | 295 | 268 | 24-2 | 12-?22 | |
| 250 | 1030 | 405 | 355 | 320 | 26-2 | 12-?26 | |
| 300 | 1140 | 460 | 410 | 378 | 28-2 | 12-?26 | |
| 350 | 1257 | 520 | 470 | 428 | 30-2 | 16-?26 | |
| 表中為部分HG/T 20592-2009標準PN16法蘭連接外形尺寸。如需其他規格尺寸,請咨詢汗越閥門技術部! | |||||||
135度Y型三通球閥結構圖

如果你需訂購我廠三通球閥產品,咨詢時煩請說明結構形式、公稱通徑、公稱壓力、閥體和內件材質、使用介質、工作溫度、執行器機構類型、法蘭標準及密封面形式等。本產品可采用手動、蝸輪、氣動、電動、液動、電液聯動或其他驅動方式。
網站首頁