高低籃式過濾器產品概述
高低籃式過濾器是一種為過濾化工、石油化工等生產過程中液體及氣體物料所含的固體顆粒而制造的設備,它采用高進低出結構,適用于垂直空間有限的場合(如設備層疊布置),高低接管可直接對接不同標高的管道,無需額外變徑或彎管,節省安裝空間,而平底或弧底筒體設計結合高低進出口,又能有效減少雜質二次懸浮,例如在輸送含沉淀物的油品或化工液體時,顆粒物沉降到筒底,清潔液體則從較高位置的出口排出。本產品通常水平安裝,尤其適合管道跨越障礙物(如電纜槽、支架)時保持流暢走向,它解決了空間受限管路布局與高雜質負荷工況的矛盾,是設備或儀表保護、立式管線及沉淀控制系統的優選,其主要型號有SRBIIIF、SRBIVF、SRBIIIW、SRBIVW和SRBIII4、SRBIV4、SRBV4、SRBIII5、SRBIV5、SRBV5及SB34、SB44、SB36、SB46等。
高低籃式過濾器部件材料
| 序號 | 部件名稱 | 材料名稱 | |||||
| 1 | 筒 體 | Q235B | 20# | 15CrMo | 304 | 316 | 316L |
| 2 | 高低接管 | Q235B | 20# | 15CrMo | 304 | 316 | 316L |
| 3 | 濾筒濾網 | 304 | 304 | 304 | 304 | 316 | 316L |
| 4 | 法 蘭 | Q235B | A105 | 15CrMo | 304 | 316 | 316L |
| 5 | 上蓋墊片 | 聚四氟乙烯、柔性石墨復合墊、金屬環形墊、金屬纏繞墊 | |||||
| 6 | 上 蓋 | Q235B | Q235B | 15CrMo | 304 | 316 | 316L |
| 7 | 平底弧底 | Q235B | Q235B | 15CrMo | 304 | 316 | 316L |
| 8 | 螺 柱 | 35CrMoA | 35CrMoA | 25Cr2MoVA | 304 | 316 | 316 |
| 9 | 螺 母 | 30CrMo | 30CrMo | 35CrMoA | 304 | 316 | 316 |
高低籃式過濾器技術規范
| 公稱壓力PN(MPa) | 1.0 | 1.6 | 2.5 | 4.0 | 2.0 | 5.0 |
| 殼體試驗壓力(MPa) | 1.5 | 2.4 | 3.75 | 6.0 | 3.0 | 7.5 |
| 氣密性試驗壓力(MPa) | 1.0 | 1.6 | 2.5 | 4.0 | 2.0 | 5.0 |
| 設計制造 | SH/T 3411-2017、JB/T 7538-2016、HG/T 21637-2021 | |||||
| 連接法蘭 | GB/T 9115、GB/T 9119、HG/T 20592、HG/T 20615、SH/T 3406、ASME B16.5等 | |||||
| 檢驗試驗 | SH/T 3411-2017、JB/T 7538-2016、HG/T 21637-2021 | |||||
| 濾網目數 | 2目 ~ 600目 | |||||
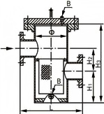
高低籃式過濾器主要尺寸
| 公稱壓力 PN | 公稱通徑 DN | 外形尺寸/mm | B (in) | ||||
| Φ | L | H1 | H2 | H3 | |||
| 16 | 25 | 89 | 220 | 110 | 70 | 280 | R? |
| 32 | 89 | 220 | 110 | 70 | 285 | R? | |
| 40 | 114 | 280 | 120 | 100 | 340 | R? | |
| 50 | 114 | 280 | 120 | 100 | 340 | R? | |
| 65 | 140 | 330 | 160 | 110 | 400 | R? | |
| 80 | 168 | 340 | 180 | 140 | 460 | R? | |
| 100 | 219 | 420 | 220 | 170 | 550 | R? | |
| 150 | 273 | 500 | 310 | 220 | 720 | R? | |
| 200 | 325 | 560 | 390 | 280 | 900 | R? | |
| 250 | 426 | 660 | 480 | 320 | 1070 | R? | |
| 300 | 478 | 750 | 640 | 400 | 1360 | R? | |
| 表中未列出的其他規格尺寸,請咨詢汗越閥門技術部! | |||||||
高低籃式過濾器結構圖

如果你需訂購我廠籃式過濾器產品,咨詢時煩請提供規格型號,公稱直徑、公稱壓力、殼體和濾籃材質、過濾精度、法蘭標準及密封面型式(常用的為HG/T 20592-2009或HG/T 20615-2009等)。
網站首頁